
简介
该用户还未填写简介
擅长的技术栈
可提供的服务
暂无可提供的服务
Aras Email系统及通知设置1. 介绍Aras里针对Life Cycle和Workflow的流程,可以设置邮件提醒,当某流程被提交或进行到某一阶段,系统将向相关的邮件接收人发送邮件提醒进行流程审批或提醒处理。2. 设置邮件系统首先要进行邮件系统的设置,这里采用第三方免费开源邮件工具hMailServer,下载地址:https://www.hmailserver.com/download .然
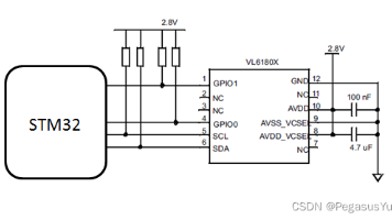
本文介绍了使用STM32芯片读取VL6180X激光测距传感器数据的实现方法。VL6180X是一款基于TOF原理的近距离测距传感器,有效测量范围0-100mm。文章详细说明了硬件连接方式,采用I2C通信协议,STM32通过GPIO模拟I2C时序与传感器交互。重点讲解了在STM32CubeIDE开发环境下的工程配置步骤,包括时钟设置、UART串口配置和GPIO初始化。最后提供了主程序代码框架,包含微秒

STM32CUBE开发环境集成了STM32 HAL库进行FreeRTOS配置和开发的组件,不需要用户自己进行FreeRTOS的移植。这里介绍最简化的用户操作类应用教程。以STM32F401RCT6开发板为例,只用到USB,USART1极少的接口,体现FreeRTOS的各种操作过程。

STM32大部分芯片只有12位的ADC采样性能,如果要实现更高精度的模数转换如24位ADC采样,则需要连接外部ADC实现。ADS1271是TI公司一款高速24位Σ-Δ型模数转换器(ADC) ,数据率达到105K SPS, 即一秒可以采样105000次。这里介绍基于ADS1271的24位ADC采样实现。采用STM32CUBEIDE开发工具,以STM32F401CCU6为例。

STM32多通道ADC采样获取GY-25A倾角传感器模拟输出数据GY-25A模块是新型的倾角传感器模块,具有X和Y两轴模拟角度输出和串口角度输出的功能。这里介绍STM32获取GY-25A模拟输出的角度数据,采用具有供电电压校准的多通道ADC方式。模拟输出格式介绍模块供电电压为3.3V~5V,内置LDO输出3.3V供电给芯片,所以芯片的输出以3.3V为参考。模块的X轴和Y轴输出的两路模拟电压的电压值
STM32获取GY-25A倾角传感器串口输出数据GY-25A模块是新型的倾角传感器模块,具有X和Y两轴模拟角度输出和串口角度输出的功能。这里介绍STM32获取GY-25A串口输出的角度数据。串口输出格式介绍GY-25A默认以9600波特率输出TTL电平的串口数据,其一帧数据输出4种数据,共8个字节,如下所示:其中横滚角对应模拟输出的X轴,俯仰角对应模拟输出的Y轴。串口接收的数据帧里,前4个字节固定
DS18B20是常用的一种数字温度传感器,通过1-wire总线实现传感器内部寄存器的访问。传感器有两种供电方式,一种是恒定供电,也就是VDD端一直供电,是大部分参考设计采用的方式,然而此种方式会对芯片产生一定的通流加热过程,所以在环境温度不变时,测量温度在缓慢上升,直到升到一个工作电流发热和环境散热的平衡点,这个测量温度可能比实际的环境温度偏差几度。...

HDC1080是一款温湿度传感器,具有如下特点:其中温度和湿度经过出厂校准。这里介绍STM32模拟I2C总线协议访问HDC1080的HAL库实现范例。

STM32模拟I2C获取MLX90614红外温度传感器测温数据(Open Drain管脚配置)STM32的GPIO管脚可以配置为Open Drain输出模式,并且有两个功能:可以设置内部上拉,因此对于I2C访问速度不是特别高的情况,可以不用外部I2C上拉电阻;虽然是Open Drain输出管脚,可以直接读取管脚电平状态,如同读取输入管脚而不必将输出管脚先切换成输入管脚。MLX90614是无接触红外
BMP280是在BMP180基础上增强的绝对气压传感器,在飞控领域的高度识别方面应用也比较多。BMP280和BMP180的区别:市面上也有一些模块:这里介绍STM32芯片和BMP280的连接和数据读取。








