
简介
该用户还未填写简介
擅长的技术栈
可提供的服务
暂无可提供的服务
一般原理图并没有什么错误,但是每次更新时都会出现这个提示,原因是PCB中封装进行过修改,但并未做过更新。1. 打开 PCB 文件,并切换到 PCB 文件,点击菜单"Project => Component Links",选择对应器件一一对应就行了。2. 在弹出的对话框中,选中对应的两个原理图和PCB元件,点击">" 按钮,最後点击"Perform Update" 按钮。这是由于在将原理图更新到 P

(注意:USS 提供了一种低成本的,比较简易的通信控制途径,由于其本身的设计,USS 不能用在对通信速率和数据传输量有较高要求的场合。所有的西门子变频器都带有一个RS485通讯口,PLC作为主站,最多允许31个变频器作为通讯连路中的从站,根据各变频器的地址或者采用广播方式,可以访问需要通讯的变频器,只有主站才能发出通讯请求报文,报文中的地址字符指定要传输数据的从站,从站只有在接到主站的请求报文后才

2、几乎所有的1117 datasheet都会标注,可以输出1a的电流,事实上5v转3.3v的时候,电容800ma的时候就很烫了。跟下面这个参数有关系,单位是摄氏度每瓦,指的是每一瓦的功耗在芯片内部和空气之间产生的温度差,当然这个数值并不是很精确。1、尽量不要让1117承受超过1w的功率,如果一定要的话,可以考虑加入散热片或者直接换成dcdc芯片。3、1117 尽量使用钽电容做输出电容,不要用陶瓷

两块印制板上有关联位置孔,需要对准,设计时如何快速将一个板上的孔对应到另一个印制板上去?在板1的PCB里面机械层放置标志,然后复制到板2,在板2机械层标志的位置放置孔。
选中要修改的铜皮,右击,在弹出的菜单中执行“铺铜操作”—》“调整铺铜边缘”,光标会变成十字型,这时候就可以在铜皮边缘直角的位置去调整钝角。如何把一块矩形铜皮的直角调整成钝角?不用去把形状描绘出来,AD中直接可以修改。调整之后铜皮会变成报错状态,对这块铜皮进行重新铺铜即可。如果已经设置自动重新铺铜,会及时调整过来,不会报错。

NTC热敏电阻,一般串联在交流电路中使用,它的作用主要是“电流保险”,电路中使用热敏电阻,主要就是为了避免电子电路中在开机瞬间产生浪涌电流,有了热敏电阻,就可以非常有效地抑制开机时的浪涌电流,而且完成抑制浪涌电流的作用后,它的电阻值可以下降到非常小的程度,不会对正常工作的电流造成影响。NTC热敏电阻主要是用来抑制开机时的浪涌电流,而压敏电阻主要是用于抑制电路中的异常电压,起到过压保护的作用(压敏电

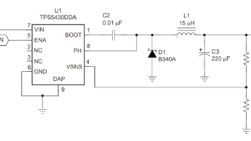
输入滤波电容C1选型:根据实际电路来说,通常选取“一大一小”容值的电容,可选取100uf和4.7uf(耐压值为50V或更高)的电容进行组合,以保证输入电压的稳定性。Vout为输出电压,R1可先取10K,算出R2。2、输入滤波电容遵循先大后小的原则,输入电源要先经过滤波电容,再进入VIN引脚。输出滤波电容选择:通常选取100uf或者220uf的电容,耐压50V左右。注:此公式计算得出电感值为最小电感

2的15次方正好等于32768,反过来讲,如果要把32.768K的时钟频率经过15次分频的话,得到的频率正好是1Hz。高速晶振 8MHz 作为系统时钟的来源,可以由芯片内部的 HSI RC 时钟源或芯片外部的 独立时钟源 提供。高速晶振 8MHz 作为系统时钟的来源,可以由芯片内部的 HSI RC 时钟源或芯片外部的 独立时钟源 提供。因此,如果使用8MHz晶振,系统需要运行8000000个晶振周

PC6~PC9: 复用功能,可作为定时器输出、PWM输出、USART通信或USB OTG HS补充引脚等。PA11~PA12, PA15: 复用功能,可作为USB_OTG_FS补充引脚或外部中断输入。PA8~PA10: 复用功能,可作为定时器输入/输出、PWM生成或UART串口通信等。PA0~PA15: 16个GPIO口,可被配置为输入/输出模式。PB0~PB15: 16个GPIO口,可被配置为输








