
简介
该用户还未填写简介
擅长的技术栈
未填写擅长的技术栈
可提供的服务
暂无可提供的服务
编码器-解码器电路设计及Multisim软件仿真
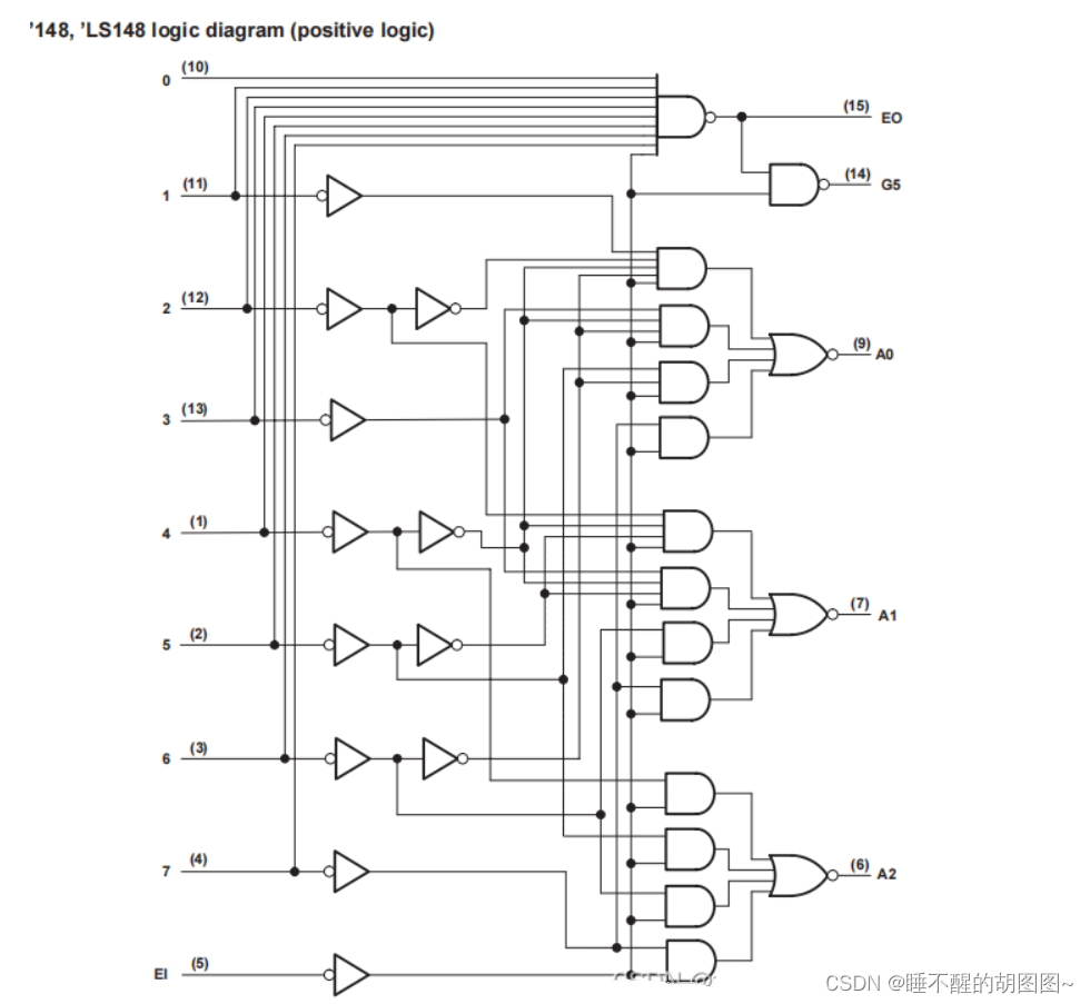
74LS148是一款8-3优先编码器,从上面的诊治表可以看到有三个地方正好直接输出三个独立的低电平,可以分别代表三个优先级,我们只需要再找一个地方能控制一个优先级的地方即可,可以选用EO引脚与一个思路与非门连接控制最低优先级。译码器的作用正好与编码器相反,是将一个N位二进制代码(N个输入信号)转译为2的n次方个输出的高/低电平信号(或者另一种代码)。8.继续重试安装好软件,如果出现提示窗口要求输入

到底了







