
简介
该用户还未填写简介
擅长的技术栈
可提供的服务
暂无可提供的服务
对于LabVIEW工程师以及更广义的编程从业者(包括“高级民工”码农)来说,随着AI技术和软件编程的逐步成熟,确实面临一些新的挑战和机遇。技术的迭代是必然的。例如,关注新的框架(如TensorFlow、PyTorch),以及掌握新兴领域的工具(如量子计算、区块链技术)。:通过技术升级、跨领域融合、拥抱AI工具等方式,在更高价值的领域中找到自己的一席之地。,懂得如何开发硬件驱动程序、理解底层通信协议
属性面板 → “键导航(Key Navigation)”选项卡 → 取消勾选“Skip this control when tabbing” → 设置“Next”控件的 Tab 顺序为相邻控件(如“确定”按钮)。控件属性面板 → 进入“数据绑定(Data Binding)”选项卡 → 取消勾选“Cancel Button” → 绑定类型改为“无(None)”或“本地变量(Local Variabl

摘要:本文介绍了使用IMAQ工具进行图像轮廓提取与曲率分析的流程。IMAQ Extract Contour可从图像中提取亚像素精度的连续轮廓,通过调整边缘阈值等参数适应不同场景。IMAQ Compute Curvature则计算轮廓曲率,反映形状特征,其核心参数Kernel Width可控制计算平滑度。这两项技术广泛应用于工业检测领域,如半导体芯片外观检测和汽车零部件密封性分析,能有效识别轮廓变形

摘要:本文基于LabVIEW平台开发了比例流量阀自动测试系统,采用"上位机-下位机-执行机构"三层架构,实现了液压系统流量阀性能的精确测试。系统通过高精度传感器(压力±0.1%FS,流量分辨率0.01L/min)采集数据,采用FCMAC控制算法显著提升压力稳定性(误差<0.05MPa)。LabVIEW软件集成了数据采集、实时控制、分析及报表功能,测试结果表明系统在响应速度

摘要:基于LabVIEW开发的金属板热传导仿真系统采用有限差分法(dx=dy=dt=1简化模型),实现二维稳态热传导可视化仿真。系统包含三大模块:边界条件初始化、有限差分迭代计算和交互式可视化显示,通过图形化编程实现温度场实时渲染。具有算法直观、交互性强、硬件无依赖等特点,适用于教学演示和工程预研,可快速验证热传导规律,相比传统仿真工具更易上手。系统支持200×200以内网格,通过色标映射直观展示

本文介绍了一种基于LabVIEW的双容水箱模糊控制仿真系统。该系统通过加载tanks.fs模糊规则文件,以2号水箱液位误差及变化率为输入,调节1号水箱进水流量,实现液位闭环控制。系统包含三个核心VI模块:模糊规则加载模块、模糊控制器模块和主控制程序模块,采用流体力学模型进行液位仿真计算。该系统具有参数解耦、实时可视化等特点,适用于教学演示、算法验证和工业预研等场景,相比传统PID控制具有更好的鲁棒

摘要:在NI Vision模块的ROI工具面板中,用户可通过右键菜单的"Visible Items/ROI Tool Button Visibility"选项控制默认按钮(如十字线、矩形等)的显示/隐藏,但无法直接关联自定义功能(如将矩形按钮替换为梯形ROI功能)。该功能适用于LabVIEW NIVision中进行图像显示和ROI定义时,但存在限制:只能使用预设ROI工具或通过

摘要:基于LabVIEW平台开发机器视觉自动化缺陷检测系统,实现±0.05mm精度的有机玻璃多类型缺陷检测。系统采用500万像素CMOS相机、50mm焦距镜头及环形光源,通过IMAQ Vision工具包实现灰度化、形态学处理等图像预处理。采用模板匹配、阈值分割等技术进行缺陷判定,支持双目立体视觉检测内部缺陷。单次检测≤1秒,数据传输延迟≤100ms,合格率自动统计。调试方案优化了反光干扰、定位偏差

摘要:本研究基于LabVIEW平台开发了一种多参数融合的动脉硬化智能检测系统,通过整合心电、压电脉搏波、光电脉搏波和血压四种生理信号,采用BP神经网络算法实现动脉硬化分级(健康/轻度/中度/重度),准确率达95.45%。系统包含硬件采集模块和软件处理平台,具备信号预处理、特征提取和智能分析功能,相比单一信号检测显著提升准确率(77.27%→95.45%)。该方案具有成本低、操作简便、可视化程度高等

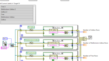
摘要:LabVIEW中的To More Specific Class函数可将通用GObject对象转换为特定类对象,实现类专属属性/方法的访问。本文通过示例VI演示其应用:遍历VI控件并转换为ListBox、多列列表框等类型,读取行数/标签数据,解决通用对象无法访问类属性的问题。该函数支持动态类型转换,需结合错误判断确保转换成功,适用于批量获取不同控件属性的场景。文中还对比了类似功能,并展示了在实








