
简介
该用户还未填写简介
擅长的技术栈
可提供的服务
暂无可提供的服务
慧荣科技推出的SM770芯片,是一款高性能USB显示接口片上系统(SoC),支持三路并行4K超高清(3840x2160@60p)显 示,可通过USB 3.2 Gen2(10Gbps)或PCIe设备接口进行传输,并配备HDMI 、DisplayPort和LVDS等多 输出接口。配备丰富的内置显示接口(HDMI 、DP和LVDS),可直接连接到监视器和电视。,可以快速传输数据文件,对于很多视频剪辑用户

的显示性能,无论是专业设计师进行精细的图形创作,视频编辑师处理高清视频素材,还是金融分析师需要同时查看多个市场数据图表,这款产品都能为他们的工作提供强大的助力,让他们如虎添翼。无论是欣赏高清影片、体验实时游戏,还是进行流畅的视频会议,,可以快速传输数据文件,对于很多视频剪辑用户来说,既能拓展超高清显示屏幕的数量,有可以及时完成视频素材的传输,不得不说是一款非常实用的扩展坞设备。,可以快速传输数据文

支持SDR25、SDR50、SDR104、DDR50。ESD保护(HBM): ≥4000V,<8000V。支持SD_VCC LDO输出3.3V/1.8V。ESD保护(MM): ≥200V,<400V。支持SD_VCC 3.3V/1.8V电源。支持V3.3 LDO输出3.3V/1.1V。支持SDC 3.3V/1.8V总线电源。ESD保护(CDM): ≥1000V。支持SDx4和eMMCx8总线宽度。
2.当设置立体声ADC时,L-ch DAC与L-ch ADC数据混合,R-ch DAC与R-ch ADC数据混合。支持44.1KHz/48KHz/96KHz、16位/24位采样率(EEPROM选件)用于16/24位编DAC/ADC(EEPROM选件)的嵌入式I2S接口(主/从模式)用于16/24位编DAC/ADC(EEPROM选件)的嵌入式SPDIF输入输出接口。版本基础上优化监听音量可独立调节,

工业和车规eFuse和Hotswap芯片;USB Type C接口保护(Sink OVP, Source OCP)芯片。工业和车规电源产品线 :5V, 40V, 60V, 100V 车规和工业DCDC, LDO。具有菊花链接口的18单元电池监控器芯片,其。包括服务器,工业控制等。电池模拟前端芯片battery AFE。电平转换芯片I2C接口芯片。(最大),采用脉宽调制控制,芯祥科技EMBMS182

台湾鑫创SSSUSB音频解码芯片SSS1629LQFP48最高16bit/48KHZ采样率将SSS1629第42pin悬空即为SSS1630SSS1630LQFP48最高24bit/96KHZ采样率,单麦输入无输出可做24bit/192KHZSSS1530QFN32小封装USB音频芯片方案,typec扩展坞声卡 SSS1700LQFP4824bit 96KHZ,支持线控,欧美规自动切换.
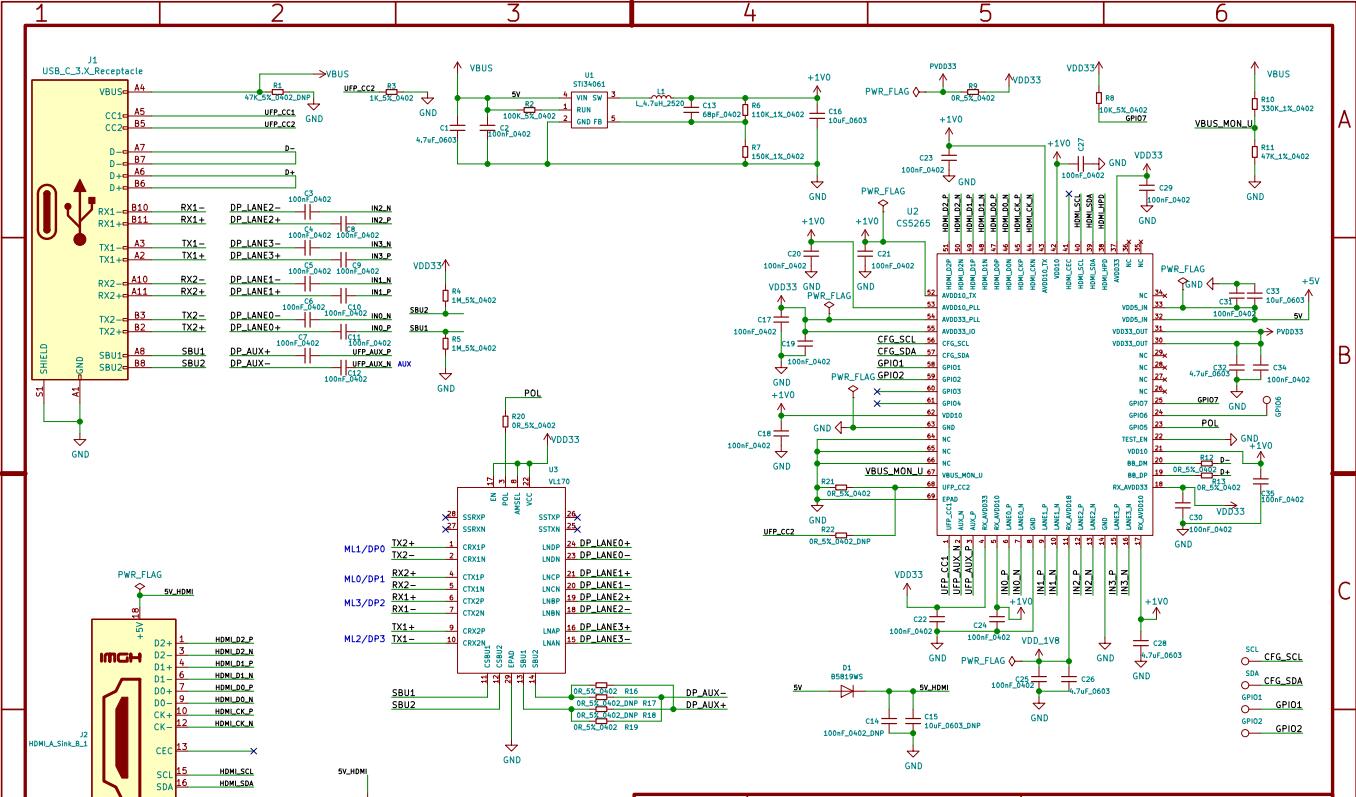
CS5265+VL170方案设计参考电路:TYPEC转HDMI2.0转换器 ,CS5265TYPEC转HDMI芯片,CS5265 4K60HZ typec拓展方案芯片管脚定义及功能:CS5265集成了一个DP1.4的转换器HDMI2.0转换。此外,CC控制器还用于CC通信,以实现DP Alt模式。DP接口包括4条主通道、辅助通道和HPD信号。转换更高支持5.4Gps(HR2)每条车道的数据速率。D

可通过 AUX 上的 I2C 或 DDC 访问 Type 2 双模式 DP 线缆适配器寄存器。(锁相环)能够消除输入抖动,并完全重置系统抖动容限,因此能更好地满足更高数据速率下。可编程的接收器均衡功能,用于补偿印刷电路板(PCB)和 / 或连接器的信号损耗。内置 AUX 到 I2C 桥接器,支持仅使用 AUX 的图形处理单元(GPU)ASL6328芯片具备可编程均衡和抖动清理功能。线缆适配器寄存器
CS5801替代龙迅LT6711A,单颗芯片设计用于HDMI转DP带供电芯片方案。CS5801支持HDMI2.0输入,带宽可高达18Gbps。它支持4k@60Hz.对于DP1.4输出,由4条数据通道组成,支持1.62Gbps、2.7Gbps、5.4Gbps的链路速率。
CS5261和CS5266都是高性价比Typec转HDMI扩展芯片方案 ,支持4K30HZ高清投屏。其差异是:CS5261大多做Typec单转HDMI ,有客户做带5V900mA慢充方案 ,而CS5266是支持PD3.0快充并且插拔PD充电口不掉屏。CS5261和CS5266设计电路对比:CS5261 QFN48封装,CS5266是QFN68封装 ,两者的管脚分布及定义对比如下:CS5266管脚分








